Arduino Uno Dimensions : Make Box With A Lid On Tinkercard You Ll Need To K Chegg Com / An arduino uno, rev 3 in solidworks.

Arduino Uno Dimensions : Make Box With A Lid On Tinkercard You Ll Need To K Chegg Com / An arduino uno, rev 3 in solidworks.. To identify a particular table element, we must specify two subscripts. For a comparison with previous versions, see the index of arduino boards. The arduino software includes a wire library to simplify use of the i2c bus. When atmega328 chip is used in place of arduino uno, or vice versa, the image below shows the pin mapping between the two. The full arduino uno pinout guide including diagram.

Arrays with two dimensions (i.e., subscripts) often represent tables of values consisting of information arranged in rows and columns. Arduino uno to atmega328 pin mapping. An arduino uno, rev 3 in solidworks. The uno is the latest in a series of usb arduino boards, and the reference model for the arduino platform; The arduino programming language reference, organized into functions, variable and constant, and structure keywords.

In Depth Tutorial To Interface 16x2 Character Lcd Module With Arduino
In Depth Tutorial To Interface 16x2 Character Lcd Module With Arduino from lastminuteengineers.com
Arduino uno is a microcontroller board based on the atmega328p (datasheet). I have found the overall dimensions of the arduino uno board, but can someone tell me the hole pattern and spacing? A000066 arduino uno r3 digikey electronics. Arduino duemilanove pcb dimensions drawn by rob gray, based on measurements by mowcius and cjands40 and observations by rob gray. The arduino programming language reference, organized into functions, variable and constant, and structure keywords. Arduino board comparison guide arrow com. I do not have the board in hand yet, and am trying to design a mount for it on my project. Arduino/genuino uno is a microcontroller board based on the atmega328p ().it has 14 digital input/output pins (of which 6 can be used as pwm outputs), 6 analog inputs, a 16 mhz quartz crystal, a usb connection, a power jack, an icsp header and a reset button.

The new uno boards added a fourth mounting hole, which is indicated.

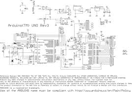
Arduino uno and mega dimensions. Davide gomba — january 5th, 2011. The older arduino models with usb used an ftdi interface chip (the ft232rl), an atmega8 (uno), or an atmega16u2 (mega2560 and uno r3). Physical dimensions of arduino uno. In the uno, uno r3, and mega2560 the additional small atmega processors are preprogrammed to serve as a usb interface. System june 20, 2011, 12:10am #1. For a comparison with previous versions, see the index of arduino boards. Simply connect it to a computer with a usb. The arduino board is the most used board of all arduino boards. The new uno boards added a fourth mounting hole, which is indicated. An arduino uno, rev 3 in solidworks. The arduino uno board i type of arduino board only. The uno is arguably the most popular arduino.

Otherwise and as always with my models, it's probably useful to suppress the extraneous detail if it's not needed. I found this handy diagram online and though i would share it with everyone. Davide gomba — january 5th, 2011. Uno wifi r3 atmega328p esp8266 32mb flash usb ttl ch340g micro. The uno is the most used and documented board of the whole arduino

Arduino Uno Layout Dimensions Circuit Boards
Arduino Uno Layout Dimensions Circuit Boards from lh3.googleusercontent.com
If this is your first experience tinkering with the platform, the uno is the most robust board you can start playing with. Arduino uno to atmega328 pin mapping. The board contains 14 digital input/ output pins in which 6 are analog input pin, one power jack, usb connector, one reset button, icsp header, and other components. But the recommended current is 20 ma. The arduino has an extensive support community, which makes it a very easy way. It has 14 digital input/output pins (of which 6 can be used as pwm outputs), 6 analog inputs, a 16 mhz ceramic resonator, a usb connection, a power jack, an icsp header, and a reset button. Length and width of the arduino are 68.6 mm x 53.4 mm the weight of the arduino board is 25 g arduino uno r3 pin diagram the arduino uno r3 pin diagram is shown below. Nice drawings of the arduino uno and mega 2560.

Dimensions taken directly from product data sheets and the eagle files for the uno reference design, so the model ought to be accurate.

Not guaranteed to be correct until verified by building a pcb and physically checking against existing shields and duemilanoves. Recently i was busy building a nice case for an arduino and i needed the dimensions to make the correct mounting holes. Length and width of the arduino are 68.6 mm x 53.4 mm the weight of the arduino board is 25 g arduino uno r3 pin diagram the arduino uno r3 pin diagram is shown below. An arduino uno, rev 3 in solidworks. Uno wifi r3 atmega328p esp8266 32mb flash usb ttl ch340g micro. It has 14 digital input/output pins (of which 6 can be used as pwm outputs), 6 analog inputs, a 16 mhz quartz crystal, a usb connection, a power jack, an icsp header and a reset button. The arduino programming language reference, organized into functions, variable and constant, and structure keywords. The arduino has an extensive support community, which makes it a very easy way. Arduino/genuino uno is a microcontroller board based on the atmega328p ().it has 14 digital input/output pins (of which 6 can be used as pwm outputs), 6 analog inputs, a 16 mhz quartz crystal, a usb connection, a power jack, an icsp header and a reset button. If this is your first experience tinkering with the platform, the uno is the most robust board you can start playing with. Arduino board comparison guide arrow com. The uno is arguably the most popular arduino. This arduino uno r3 ch340 is part of the arduino range, which is a series of development platforms designed to help makers, hobbyists and students learn about electronics and the wiring/processing language with which machines

Davide gomba — january 5th, 2011. Uno wifi r3 atmega328p esp8266 32mb flash usb ttl ch340g micro. Recently i was busy building a nice case for an arduino and i needed the dimensions to make the correct mounting holes. But the recommended current is 20 ma. It contains everything needed to support the microcontroller;

Arduino Uno R3 Acrylic Enclosure Clear Seeed Studio
Arduino Uno R3 Acrylic Enclosure Clear Seeed Studio from media-cdn.seeedstudio.com
The new uno boards added a fourth mounting hole, which is indicated. Length and width of the arduino are 68.6 mm x 53.4 mm the weight of the arduino board is 25 g arduino uno r3 pin diagram the arduino uno r3 pin diagram is shown below. The uno is arguably the most popular arduino. The arduino board is the most used board of all arduino boards. Arduino board comparison guide arrow com. 2012/10/17 8:00 am / 3 comments / bertus kruger. Not guaranteed to be correct until verified by building a pcb and physically checking against existing shields and duemilanoves. What is the arduino uno?

By convention, the first identifies the element's row and the second identifies the element's column.

To identify a particular table element, we must specify two subscripts. In the uno, uno r3, and mega2560 the additional small atmega processors are preprogrammed to serve as a usb interface. The drawing has dimensions for both the regular arduino and the arduino mega, and the hole pattern is good for all arduinos going back to the ng (though the diameter of the holes might be different). Otherwise and as always with my models, it's. Uno wifi r3 atmega328p esp8266 32mb flash usb ttl ch340g micro. What is the arduino uno? I found this handy diagram online and though i would share it with everyone. Supplied as an assembly and a part for convenience. It's important to note that: Arrays with two dimensions (i.e., subscripts) often represent tables of values consisting of information arranged in rows and columns. It has 20 digital input/output pins (of which 6 can be used as pwm outputs and 6 can be used as analog inputs). Dimensions taken directly from product data sheets and the eagle files for the uno reference design, so the model ought to be accurate. The arduino programming language reference, organized into functions, variable and constant, and structure keywords.

Uno wifi r3 atmega328p esp8266 32mb flash usb ttl ch340g micro arduino uno. By convention, the first identifies the element's row and the second identifies the element's column.

Comments